知否科技
知无知,才有知
主页
请帖模板
知识中心
课后习题答案
文档资料
小说名著
每日一文
习题章节
真题试卷
简历模板
关于我们
联系我们
第7、8章:功能指令、特殊功能指令
电气控制与PLC应用技术
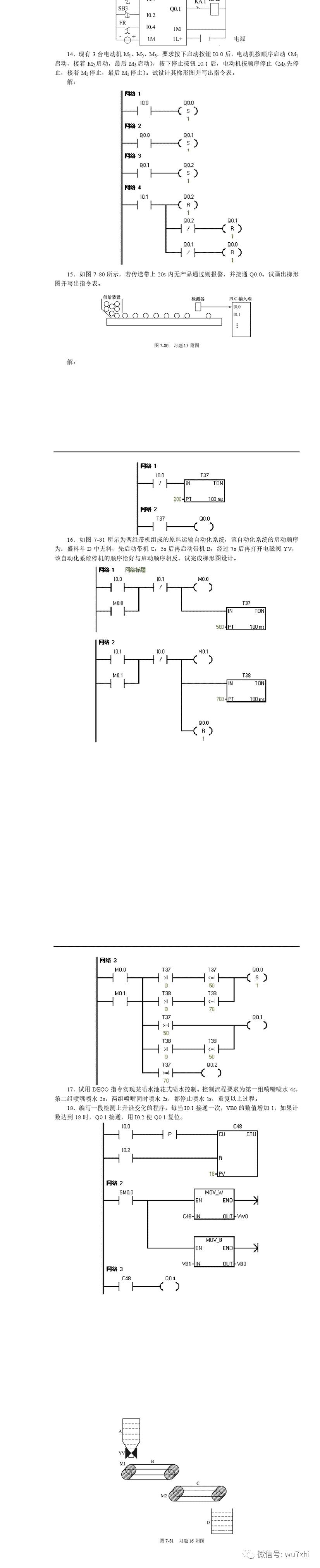
王越男、崔纪仁 编 / 中国电力出版社
? 上传
查看本书
第7章:功能指令
第8章:特殊功能指令
查看更多