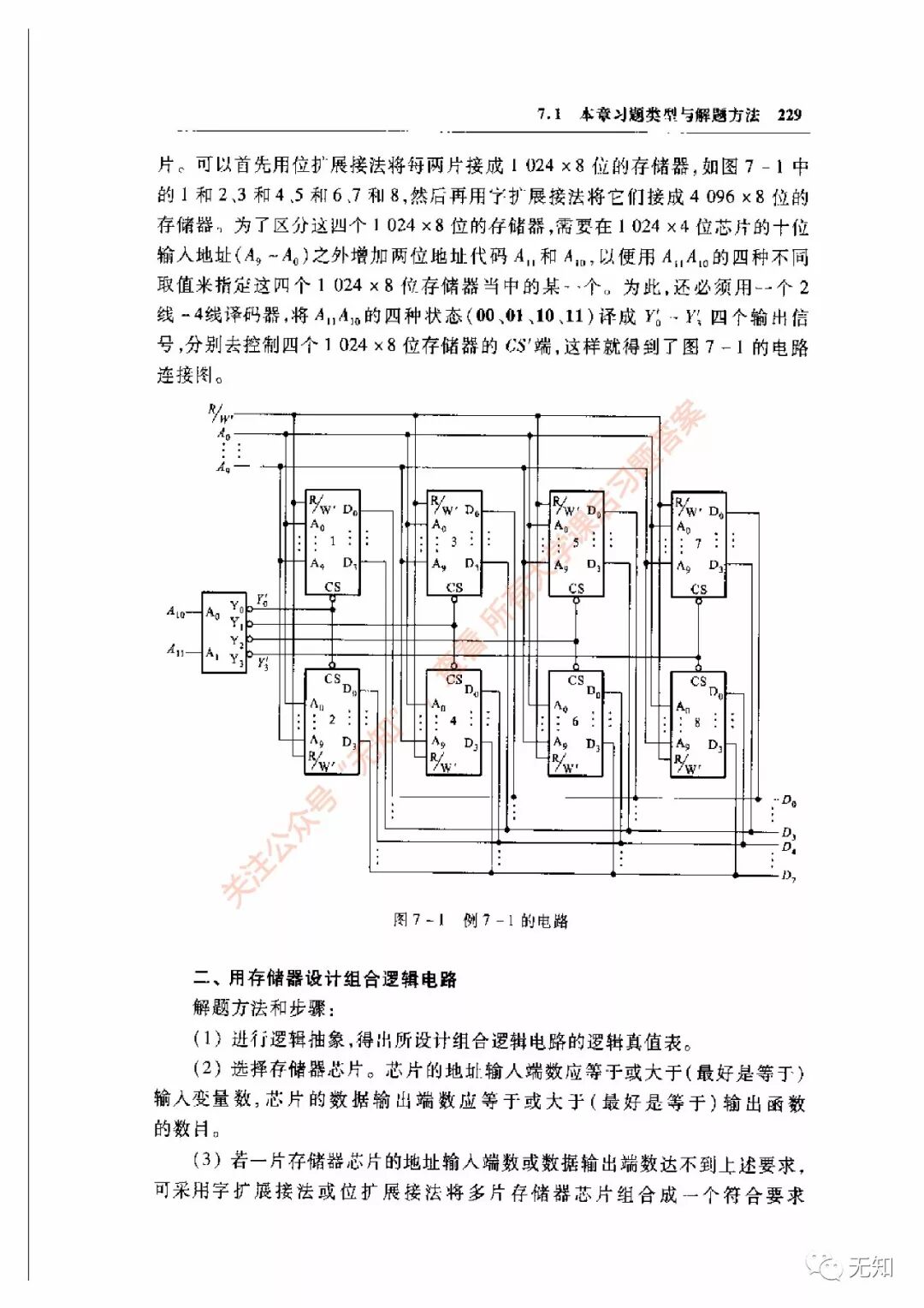
知否科技
知无知,才有知
主页
请帖模板
知识中心
课后习题答案
文档资料
小说名著
每日一文
习题章节
真题试卷
简历模板
关于我们
联系我们
第7章:半导体存储器
数字电子技术基础(第五版)
阎石 编 / 高等教育出版社
W 上传
查看本书
第7章:半导体存储器
查看更多